Tổng Hợp Đề Thi AutoCad 3D Đầy Đủ Từ Cơ Bản Đến Nâng Cao
Để thi Autocad 3D cơ bản đến nâng cao thực hành kỹ năng vẽ CAD 3D. Trung tâm tin học đồ họa gửi đến các bạn hướng dẫn các bước cơ bản để bạn tự làm các bài tập vẽ autocad này đến khi thành thạo các lệnh Cad 3D.
Học Autocad không thể thiếu các đề thi autocad để bạn rèn luyện kỹ năng sử dụng thành thạo các lệnh cơ bản của Autocad cũng như củng cố lại các kiến thức sau khóa học.
Dù là học theo phương pháp nào học trực tiếp tại trường hay trung tâm, học online thì bạn cần nhiều thời gian để tự học, tự vẽ trên phần mềm autocad với các đề thi Autocad 3D, bài tập thực hành vẽ autocad cơ bản đến nâng cao.
ĐỀ THI AUTOCAD 3D
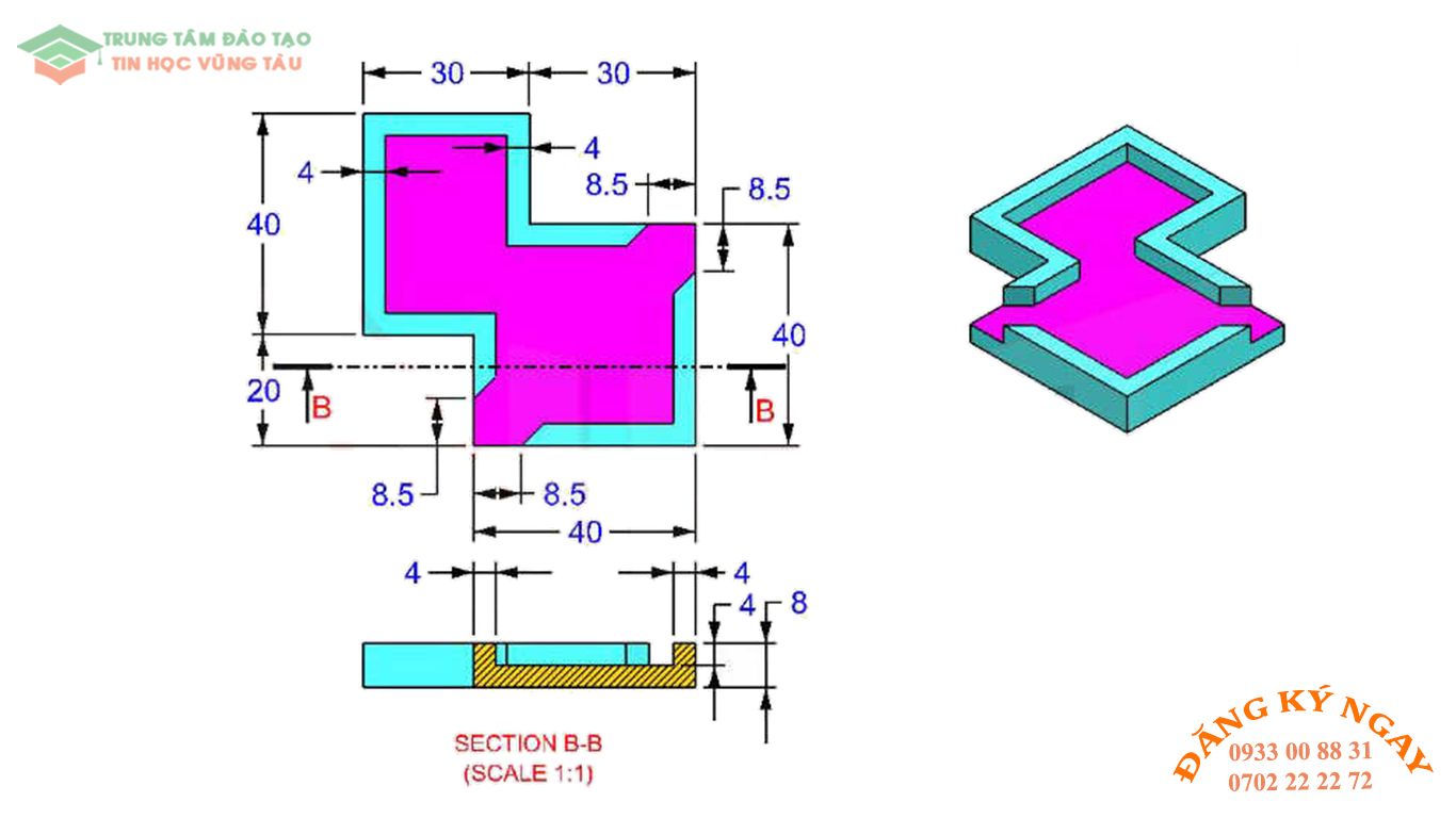
TIN HỌC TRƯỜNG THỊNH VŨNG TÀU TẠO BẢN VẼ CAD 2D VỚI CÁC YÊU CẦU SAU:
1/ Lưu bản vẽ với TenThiSinhDuThi.dwg.
2/ Thiết lập khổ giấy A2, với tỉ lệ 1:1, đơn vị là Metric.
3/ Hiển thị các thông số đo kích thước.
4/ Tạo các Layer để thiết lập các đường nét, Tạo khung tên cho bản vẽ.
5/ Sử dụng lệnh Hatch với mẫu tùy ý để tô tại vị trí có màu trong hình minh họa.





















